Pompa Grundfos ALPHA3 25-60 130
Pompa Grundfos Pompa Grundfos ALPHA3 25-60 130 este proiectată pentru sisteme de încălzire și apă caldă. Este o pompă de tip circulație. Pompa dispune de AUTOADAPT, care ajustează automat pompa la cerințele sistemului pentru confort optim și consum redus de energie, precum și punere în funcțiune simplă. Dispune de conectivitate la dispozitive inteligente prin intermediul aplicațiilor Grundfos.
Pompa Grundfos ALPHA3 25-60 130 potrivit pentru:
- Încălzire - clădiri comerciale
- Recirculare apă caldă menajeră și commercială.
- Încălzire domestică și industrială
Date tehnice ale pompei de circulație Grundfos ALPHA3 25-60 130:
Puterea maxima, (W) – 34;
Înălțime de pompare max., (dm) – 60;
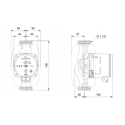
Dimensiune racord – G 1 1/2;
Material pompă – fontă;
Presiune maxima de operare, (bar) – 10;
Lungimea între racorduri, (mm) – 130;
Gama de temperatură a lichidului, (°C): 2 … 110;
Greutatea, (kg) – 2.00;
Circulator cu rotor umed, proiectat pentru circularea lichidelor în sistemele de încălzire. Cu un indice de eficiență energetică de clasă mondială (EEI) cu mult sub valoarea de referință ErP, asigură economii substanțiale de energie.
ALPHA3 are integrat radio Bluetooth și este controlat complet de un dispozitiv inteligent prin aplicația Grundfos GO Remote. Oferă asistență pas cu pas pentru configurarea, întreținerea și punerea în funcțiune a pompei.
ALPHA3 comunică direct cu aplicația Grundfos GO Balance, care permite instalatorilor să efectueze o echilibrare hidraulică rapidă și ușoară.
Caracteristici:
- Modul radiator cu AUTOADAPT - alegerea simplă pentru sistemele de încălzire cu două țevi
- Modul în pardoseală cu AUTOADAPT - alegerea simplă pentru sistemele de încălzire prin pardoseală
- Coabinația modul radiator și modul în pardoseală pentru sistemele cu o combinație de sisteme de încălzire
- În programare și modul de vară, un ceas în timp real permite selectarea momentului în care pompa trebuie să funcționeze și nu să economisească energie
- Interfață simplă de utilizare - pompa este operată complet din aplicația Grundfos GO Remote
- Jurnal de alertă și avertisment cu asistență prin intermediul Grundfos Go Remote
- Nu este necesară o protecție externă a motorului, reducând timpul de instalare
- Pornirea cu cuplu mare îmbunătățește pornirea în condiții dure
- Protecție la mers în gol la pornire și funcționare normală
- Nu necesită întreținere datorită designului rotorului umed și utilizării componentelor robuste
- Conectorul ALPHA face instalarea electrică rapidă și ușoară
- Cochiile de izolare sunt livrate cu pompele pentru a reduce la minim pierderile de căldură în sistemele de încălzire
În plus, pompa dispune, de asemenea, de trei moduri de control cu ajustare punctului de referință care permite reglarea pompei la un anumit punct de sarcină:
- controlul presiunii proporționale
- controlul presiunii constante
- modul de curbă constantă
Produse conexe
(16 produse din aceeași categorie)
